Home
Products
Steel Base KK Modules
Embedded Modules
Screw Semi-Enclosed Modules
Screw Fully-Enclosed Modules
Belt Semi-Enclosed Modules
Bellows Modules
Multi-Axis Linear Module Setup
Ball Screws
Linear Guides
Ball Splines
Electric Cylinders
Support Units & Fixed Seats
About us
Company Profile
Corporate Culture
Development History
Honor
Production Strength
Corporate Profile
News
Company News
Industry News
FAQ
Exhibitions
Video
Download Center
Contact us
EN
中文
EN
Steel-based KK module
Embedded module
Lead screw semi-enclosed module
Lead screw fully enclosed module
Belt semi-enclosed module
Organ cover module
Multi-axis construction of linear modules
Ball screw
Linear guide rail
Ball guide rail
Roller guide rail
Micro and small ball guide rail
Ball spline
Electric cylinder
Support seat motor integrated base
4
dhcpmingchen
Location
Home
->
Products
->
Ball screw
->
SFNU heavy-duty lead screw nut
【Origin Pic】
[Originaloriginal]
[BACK]
[Previous Page]
[Next page]
SFNU heavy-duty lead screw nut
Related Information
SFA Silent lead screw nut
SFNU heavy-duty lead screw nut
SCH Silent lead screw nut
SFY High-speed lead screw nut
SFK micro-miniature lead screw nut
Left and right tooth ball screws
DFU double-nut lead screw
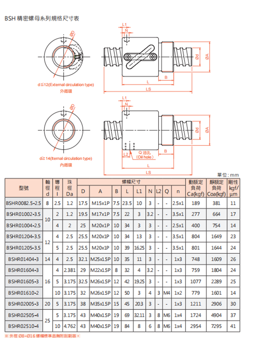
BSH flangeless ball screw
+86 136-6277-4416
Hello!
Scan WeChat
Enjoy one-to-one consultation